特點與應用:
國際標準Profibus-DP協議
多圈最大30位,可拆卸的模塊化總線適配器,地址任意設定,更方便連接
歐系標準安裝尺寸,軸型安裝或盲孔型安裝,端子接線更方便安裝
防護等級最高達IP68,工作溫度可達-40°C...+85°C,可完美應用與長時間水下工作
具有安全鎖式軸承設計,可防止大尺寸優質軸承組在運行和安裝期間,由于軸向載荷較大而造成不對心。
可選擇不銹鋼防爆型重載編碼器,具有EX II 2 G Ex ib IIB T4 Gb 歐盟防爆等級認證 ,為石油化工以及防爆設備保駕護航。
|
產品系列 |
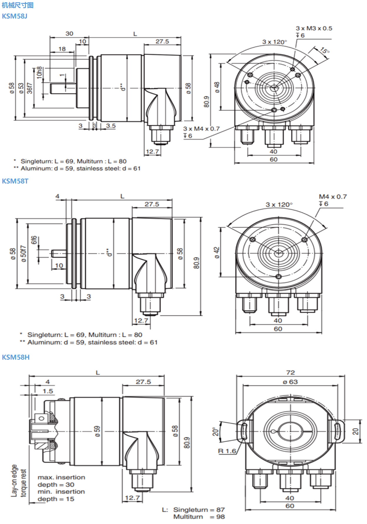
KSM58J |
KSM58T |
KSM58H |
|
尺寸(外殼) |
? 58mm |
||
|
特性 |
軸型帶夾緊法蘭 |
軸型帶同步法蘭 |
抱緊環式盲孔型 |
|
主軸尺寸 |
軸型?6、8,10,12,14,15mm |
軸型?6、8、10mm |
盲孔型?6、8,10,12,14,15mm |
|
|
|||
|
輸出信號 |
國際標準Profibus-DP協議 |
||
|
電源電壓 |
10....30VDC(反極性保護,過壓保護) |
||
|
單圈分辨率 |
標準13位8192,最大16位65536 |
||
|
圈數 |
4096圈 |
||
|
編碼 |
二進制碼 |
||
|
重復精度 |
±2BIT |
||
|
消耗電流 |
<50mA(24V電源) 空載 |
||
|
可編程參數 |
每圈對應值可調,軟件限位開關,旋轉方向,預設值,速率輸出,速率時基,波特率 |
||
|
最大轉速 |
6000r/min |
||
|
主軸負載 |
徑向110N,軸向40N |
||
|
防護等級 |
IP65或IP66 |
||
|
啟動力矩 |
≤3Ncm |
||
|
工作溫度 |
-40°C....85°C(可定制工作溫度-40°C....85°C) |
||
|
儲存溫度 |
-40°C....100°C |
||
|
抗沖擊 |
1000m/s2, 6ms(100g) |
||
|
抗振動 |
20g |
||
|
連接方式 |
三孔適配器端子接線 |
||
|
出線方式 |
徑向側出 |
||
可編程參數
Profibus-DP接口支持CLASS1和CLAS2功能。 除此之外, GSD文件支持更多特性, 如軟件限位開關。 另外, 以下參數可直接通過Profibus-DP網絡編程, 無需任何其他裝置。
|
計數方向 |
在操作參數時,編碼序列可編程。參數決定輸出編碼增加或減少的計數方向 |
|
每轉脈沖 |
這一參數用于編輯期望的每轉步數。可在1到4096間選擇。 |
|
總分辨率 |
這一參數用于編輯期望的完全測量長度的測量單元數量。值不可超過編碼器的總物理分辨率。 |
|
預置值 |
期望的位置值,應達到軸的某個物理位置。位置值由參數預設設置成為期望的處理值。 |
|
速率 |
這一輔助軟件可額外傳送旋轉速率。在處理值后以二進制代碼,16位給出。 可選擇四種不同的單位: 步/10ms, 每100ms,每1000ms和每分轉數。 |
|
軟件限位開關功能 |
可設置兩個軟件限位開關。如果這些值超出或降低,輸出字中的一位將被設置。 |
|
在線參數化 |
設備試運轉階段有特殊模式,能夠在編碼器傳輸數據時改變參數。為持續操作,另一種模式能夠保護參數不受意外變化的影響。 |
|
帶連接帽配置
終端電阻集成安裝于連接帽內,如果編碼器連接于總線末端或起始端,必須開通。 ![]() 第1~(n-1)個裝置 第n個裝置 連接數據線和電源
電源只能連接一次(無論使用哪種夾具)。如果終端電阻斷開,輸出總線是不連接的。
GSD文件用于安裝編碼器。 GSD文件安裝光盤和詳細用戶手冊可從BOTEEM定購或下載。
連接帽背面具有兩個LED, 可顯示裝置狀態。 在安裝和設定編碼器時很有幫助。
|
接口 安裝 旋轉編碼器連接兩或三根電纜, 根據電源集成于總線電纜還是單獨連接而定。如果供電電源集成于總線電纜, 其中的電纜密封套可通過一個插頭安裝。 電纜密封套適合直徑5.5至9mm的電纜。
Profibus-DP裝置地址設置由連接帽中用戶界面友好的旋轉開關完成。 允許地址在1至99之間, 僅允許使用一次。 安裝時卸下兩個螺帽即可打開連接帽。 |
訂貨型號代碼:
1 2 3 4 5 6 7 8 9
|
絕對值編碼器 |
KSM58J - |
XXX |
XXX |
XX
12 13 14 16 |
-XXX
|
X
0 S V W H |
- X
R |
XX |
- XX
EX |
|
1、規格系列 KSM58J KSM58T KSM58H |
B12 |
||||||||
|
2、輸出信號 |
|||||||||
|
DP Profibus-DP輸出 DP |
|||||||||
|
3、轉動圈數 B12 12bit(標準4096圈) |
|||||||||
|
4、每圈分辨率 12 12 bit(4096分辨率)標準產品 13 13 bit(8192分辨率) 14 14 bit(16384分辨率) 16 16 bit(65536分辨率) |
|||||||||
|
5、機械安裝尺寸 詳情請看SASM58多圈絕對值編碼器機械尺寸圖訂貨代碼 |
|||||||||
|
6、防護等級、外殼材質
0 防護等級IP65,鋁合金外殼 S 防護等級IP68,鋁合金外殼(可長時間水下工作) V 防護等級IP66,不銹鋼重載外殼 W 防護等級IP68,不銹鋼重載外殼(可長時間水下工作) H 防護等級IP66,鋁合金外殼(-40°C軍工級低溫標準) |
|||||||||
|
7、出線方式
R 徑向側出 |
|||||||||
|
8、連接形式 |
|
||||||||
|
H3P 三孔連接帽 |
H3P |
||||||||
|
9、EX防爆型 |
|||||||||
|
EX 防爆型編碼器EX II 2G Ex ib IIB T4 Gb |
|||||||||










??????