產品展示
PRODUCT CENTER
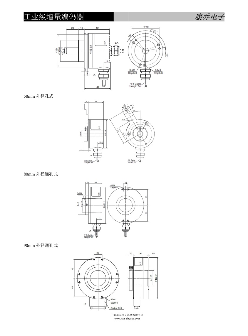
80外徑增量式編碼器


歡迎來到上??祮屉娮涌萍加邢薰竟倬W
服務熱線:15000290423
加入收藏


??????
上海康喬電子科技有限公司
聯系人:何先生
電 話:15000290423(微信同號)
傳 真:021-59928668
郵 件:sales_kan@163.com
網 址:www.azdatarecovery.com
地 址:上海市嘉定區環城路2222號
掃碼咨詢
All Rights Reserved 版權所有 ? 2023 上??祮屉娮涌萍加邢薰尽 〖夹g支持:上海網站建設 備案號:滬ICP備20001978號-1